Důležité upozornění: 

PLATBA POUZE V HOTOVOSTI

Parta montérů / servisák - hledá se?

Prodáváme - nová sekční vrata s dvířky

Úvodní stránka > Aktuality > Prodáváme - nová sekční vrata s dvířky
Nová nepoužitá vrata Doorhan RSD01, která byla určena pro naše použití na naší firmě jako ukázková a určená pro sklad zboží. 
  • Standardní cena = 41.820,- Kč + DPH. 
  • CENA PRO VÁS = 24.793,- Kč bez DPH (30.000,- Kč vč. 21% DPH)
20240421_15542020240421_15541420240421_155432
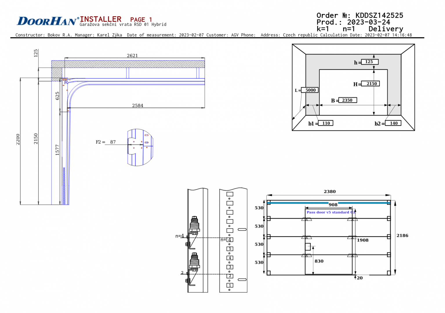
 Tyto zateplená sekční vrata jsou pro stavební otvor šířka 2350 x výška 2150mm 

Obsahují:

  • Vratové křídlo ze sendvičových panelů  - síla sekcí 40mm vyplněné polyuretanem
  • Systém kování pro tažné pružiny; nadpraží min. 125mm = lepší víc.; ostění dle výrobce min. 85mm
  • Průchozí dvířka ve vratech s extra nízkýn prahem 25mm; umístněné na středu; rámy v přírodním hliníku
  • Provedení - lamela woodgrain hnědá RAL 8014 (S-LINE, 8014) / vnitřní strana bílá

Odkaz návod k montáži -  klikněte

Pouze osobní odběr, platba v hotovosti u nás v kanceláři při převzetí. V případě zájmu nás kontaktujte.

Níže najdete ilustrativní foto dvířek a provedení včetně umístění a strany otvírání a specifikace z výroby, jak vrata byla objednána.

Vzhled dveříKováníUmísteni dvirek a otvirání

Rodinná firma s tradicí

na trhu od roku 1995
dlouholeté zkušenosti

Individuální přístup

výroba zakázek na míru
90% produktů české výroby

Profesionální servis

záruční a pozáruční servisy
pravidelná školení od našich dodavatelů

Ověřená kvalita

certifikované produkty
kvalitní produkty od našich dodavatelů

Křídlová brána s bezprahovou brankou.JPGKřídlová vrata 2.JPGKřídlová vrata.JPGNesená brána zevnitřOtočný pohon OPTIMO.JPGPákový pohon ARMOR.JPGPákový pohon SINUO.JPGParkovací závora SUPRA.JPGPodzemní pohon ERGO.JPGPojezdová brána z venkuPosuvná vrata TRIDO 2Posuvná vrata TRIDO.JPG

Napište nám

Máte dotaz? Chcete vypracovat nezávaznou poptávku? Objednat servis?

Montáže a servisy provádíme v Praze a Středočeském kraji (například Říčany, Mukařov, Stránčice, Mnichovice, Benešov, Zdiby, Jesenice, Roztoky, Líbeznice, Stará Boleslav, Úvaly, Šestajovice a mnoho dalších měst)

Odeslat